QLG型滾珠聯軸器
分享到:
長沙鼎立傳動機械有限公司位于水陸交通便利的湖南省長沙市寧鄉經濟技術開發區。專業研發、生產和銷售各種類型的聯軸器產品,其主導產品包括:QL系列滾珠聯軸器產品。
- 全國咨詢熱線:
- 13907486229
詳情介紹:
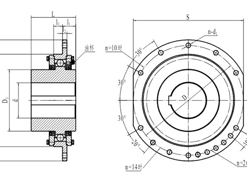
QLG型卷筒滾珠聯軸器,適用于起重機起升機構的減速機與卷筒的聯接及其他類似機構的聯接。
QL系列滾珠聯軸器是一項實用新型專利產品(專利號:90 2 15888.0),此系列聯軸器的基本結構是將齒式聯軸器的內、外齒分別加工成凹半圓柱槽,在兩凹半圓柱槽形成的圓孔中裝入滾珠鋼球,從而使兩凹半圓柱槽通過鋼球傳遞扭矩。
滾珠聯軸器具有以下優點:
1、承載能力大:兩凹半圓柱槽與鋼球的接觸在兩軸交角變化時均為圓弧線接觸,接觸應力小,磨損少。
2、允許軸間交叉角度大:兩凹半圓柱槽與鋼球的接觸相對位置變化不受限制,且靈活,故兩軸允許的交角可達1.5度或更大(兩軸允許的交角大小取決于兩凹半圓柱槽之間的間隙大小)。
3、隔離振動,噪聲小:兩凹半圓柱槽與鋼球的間隙相當小,理論上可為零,故運動平穩、噪聲低,能適用高速軸的聯接。
4、傳動效率高:兩軸交角變化與軸向移動時兩凹半圓柱槽與鋼球的相對運動為滾動,故摩擦損耗小,傳動效率高,溫度低,節能。
5、使用壽命長:內、外齒由兩凹半圓柱槽形成,故根部強度極高,不會斷齒;齒面經熱處理為硬齒面,進一步提高了強度和耐磨性。
6、安裝精度低,使用維護簡單:本聯軸器對軸的對中要求低,所以安裝精度要求低,不易損壞;基本沒有潤滑維護等要求。
滾珠聯軸器提出了利用滾珠鋼球傳遞扭矩,實現補償兩軸相對偏移的嶄新理念,倡導的是一種全新的聯接兩同軸線傳動軸系的方式,是聯軸器史上一次重大的技術突破。
QL系列滾珠聯軸器性能優越,適用性強,是其它各類型聯軸器的理想替代產品。
QL系列滾珠聯軸器是一項實用新型專利產品(專利號:90 2 15888.0),此系列聯軸器的基本結構是將齒式聯軸器的內、外齒分別加工成凹半圓柱槽,在兩凹半圓柱槽形成的圓孔中裝入滾珠鋼球,從而使兩凹半圓柱槽通過鋼球傳遞扭矩。
1、承載能力大:兩凹半圓柱槽與鋼球的接觸在兩軸交角變化時均為圓弧線接觸,接觸應力小,磨損少。
2、允許軸間交叉角度大:兩凹半圓柱槽與鋼球的接觸相對位置變化不受限制,且靈活,故兩軸允許的交角可達1.5度或更大(兩軸允許的交角大小取決于兩凹半圓柱槽之間的間隙大小)。
3、隔離振動,噪聲小:兩凹半圓柱槽與鋼球的間隙相當小,理論上可為零,故運動平穩、噪聲低,能適用高速軸的聯接。
4、傳動效率高:兩軸交角變化與軸向移動時兩凹半圓柱槽與鋼球的相對運動為滾動,故摩擦損耗小,傳動效率高,溫度低,節能。
5、使用壽命長:內、外齒由兩凹半圓柱槽形成,故根部強度極高,不會斷齒;齒面經熱處理為硬齒面,進一步提高了強度和耐磨性。
6、安裝精度低,使用維護簡單:本聯軸器對軸的對中要求低,所以安裝精度要求低,不易損壞;基本沒有潤滑維護等要求。
滾珠聯軸器提出了利用滾珠鋼球傳遞扭矩,實現補償兩軸相對偏移的嶄新理念,倡導的是一種全新的聯接兩同軸線傳動軸系的方式,是聯軸器史上一次重大的技術突破。
QL系列滾珠聯軸器性能優越,適用性強,是其它各類型聯軸器的理想替代產品。










